产品中心
联系我们
- 张先生
- 13961458166
- 江苏省常州市天宁区郑陆镇省岸村朱家桥67号
- 产品详情
- 图片集锦
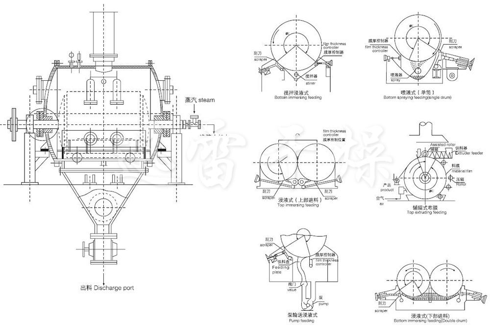
工作原理
滚筒干燥机是一种内加热传导型转动连续干燥设备。旋转的滚筒通过其下部料槽,粘附着一厚度的料膜,热量通过管道输送至滚筒内壁,传导到滚筒外壁,再传导给料膜,使料膜中的湿得到蒸发、脱湿、使含湿分的物料得到干燥。干燥好的物料被装置在滚筒表面的刮刀铲离滚筒,到置于刮刀下方的螺旋输送器,通过螺旋输送器将干物料集中、包装。
性能特点
◎热效率高。因滚筒干燥机传热机理属热传导,传热方向在整个操作周期中保持一致,除盖散热和热辐射损失外,其余热量全部都用于筒料膜湿分的蒸发上,热效率可达70%-80%。
◎操作弹性大,适用性广。可调整滚筒干燥机的诸多干燥因素。如进料的浓度、涂料料膜的厚度、加热介质的温度、滚筒的转动速度等,都可以改变滚筒干燥机的干燥效率,且诸多因素互无牵连。这给滚筒干燥操作带来很大的方便,使之能适应多种物料的干燥和不同产量的要求。
◎干燥时间短。物料的干燥周期一般只有10-300秒,在适合于热敏性物料。若将滚筒干燥机设置在真空器中,则可在减压条件下运行。
◎干燥速率大。由于涂料抹于筒壁的料膜很薄,一般在0.3-1.5mm,且传热、传质方向一致,料膜表面可保持20-70kg.H2O/m2.h的蒸发强。
流程图

安装
本机安装系根据总图布置安装,地面要平整,蒸气管进口处要装压力表及安全阀,各蒸气进口法兰连接牢固。
适应物料
◎适用于化工、染料、制药、食品、冶金等行业液体或较粘稠物料的干燥。
维护
◎定期检查旋转部件转动灵活性,是否有卡阻现象。链轮等部件要定期加上润滑脂,定期校正压力表等计量器件误差。对三角带传动件 有磨损严重现象应及时更换。
◎电动机、减速机维护详见电动机、减速机使用维护说明书。
调试
本机安装后要先进行试运转实验
◎点动主电机观察主滚筒转向正确。
◎观察主滚筒及各传部件转动是否灵活,观察蒸气进出口是否接通,压力表是否在工作压力范围内。
◎启动电机,主滚筒动运转平稳,温度升高后加入物料后调整电机转速及物料在滚筒上薄膜均匀程度来控制物料终含水量。
◎启动绞龙电机,输出干燥成品物料,根据干燥成品量调整绞龙电机转速。
技术规格
| 规格 | 滚筒尺寸 | 有效加热 面积m2 | 干燥能力 kg.H2O/m2.h | 蒸汽耗量kg/h | 电机功率kw | 外形尺寸mm | 重量kg |
| GT0608 | Φ600×800 | 1.12 | 40-70 | 100-175 | 2.2 | 1700×800×1500 | 850 |
| GT0710 | Φ700×1000 | 1.65 | 60-90 | 150-225 | 3 | 2100×1000×1800 | 1210 |
| GT0812 | Φ800×1200 | 2.26 | 90-130 | 225-325 | 4 | 2500×1100×1980 | 1700 |
| GT1014 | Φ1000×1400 | 3.30 | 130-190 | 325-475 | 5.5 | 2700×1300×2250 | 2100 |
| GT1215 | Φ1200×1500 | 4.24 | 160-250 | 400-625 | 7.5 | 2800×1500×2450 | 2650 |
| GT1416 | Φ1400×1600 | 5.28 | 210-310 | 525-775 | 11 | 3150×1700×2800 | 3220 |
| GT1618 | Φ1600×1800 | 6.79 | 270-400 | 675-1000 | 11 | 3350×1900×3150 | 4350 |
| GT1820 | Φ1800×2000 | 8.48 | 330-500 | 825-1250 | 15 | 3600×2050×3500 | 5100 |
| GT1825 | Φ1800×2500 | 10.60 | 420-630 | 1050-1575 | 18.5 | 4100×2050×3500 | 6150 |
注:如客户需要,可为客户设计制造上部进料双滚筒干燥机。
视频
- 返回上一页
- 上一篇:HZG系列回转滚筒干燥机
- 下一篇:α淀粉干燥机

























